Penerapan Sistem IT Medis Acrel di Rumah Sakit Malaysia
Rumah / Proyek / Rumah Sakit / Penerapan Sistem IT Medis Acrel di Rumah Sakit Malaysia

Penerapan Sistem IT Medis Acrel di Rumah Sakit Malaysia

Dengan meningkatnya penggunaan peralatan medis elektronik di rumah sakit, risiko kebocoran arus menimbulkan ancaman signifikan terhadap keselamatan pasien, khususnya di lingkungan perawatan kritis. Selama prosedur pembedahan atau anestesi, pasien dihubungkan langsung ke berbagai elektroda dan sensor. Arus bocor yang minimal sekalipun dapat menyebabkan sengatan listrik ketika alat kesehatan bersentuhan langsung dengan tubuh manusia.

Selain itu, peralatan pendukung kehidupan untuk pasien yang sakit kritis harus menjaga pengoperasiannya tanpa gangguan. Gangguan listrik apa pun dapat membahayakan nyawa pasien. Oleh karena itu, sistem kelistrikan rumah sakit harus benar-benar mematuhi standar nasional dengan menerapkan sistem pasokan listrik TI di area yang ditentukan.

Studi kasus ini menunjukkan penerapan sistem pasokan listrik terisolasi medis Acrel di Malaysia, yang menampilkan:

Distribusi tenaga TI medis

Perangkat pemantauan isolasi

Sistem lokasi kesalahan

Hubungi Kami
  • Ikhtisar Proyek
  • Ikhtisar Proyek
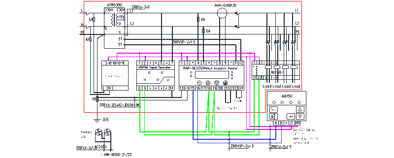
    I.E.D Malaysia berlokasi di SELANGOR DARUL EHSAN, proyek ini terutama digunakan di rumah sakit pulau di Malaysia, produknya digunakan untuk 12 lokasi kesalahan isolasi sirkuit untuk 3 set sistem tenaga terisolasi rumah sakit, produk terkait adalah perangkat monitor isolasi AIM-M200, generator uji sinyal ASG150, indikator alarm terpusat AID150, pencari kesalahan isolasi AIL150-8, AIL150-4 dan trafo arus bocor AKH-0.66P26.


    Pengenalan Sistem TI Medis
    Perangkat pemantauan isolasi sistem IT medis ACREL dan sistem lokasi kesalahan cocok untuk ruang operasi rumah sakit, ICU (CCU) dan tempat penting lainnya, dan dapat menyediakan tempat yang aman untuk solusi daya yang berkelanjutan dan andal.


    Solusi Catu Daya untuk Lokasi Medis
    ICU, Solusi Distribusi bangsal CCU (misalnya diagram sistem kabinet listrik isolasi GGF-I8G)


    Opsi I tanpa fungsi lokasi kesalahan


    Opsi II dengan fungsi lokasi kesalahan

    CATATAN: Dalam solusi distribusi daya di unit perawatan intensif, alarm terpusat seri AID dan perangkat tampilan harus dipasang di ruang perawat, staf rumah sakit di ruang perawat memantau status pengoperasian setiap sistem tenaga yang terisolasi.


    Solusi Distribusi Ruang Operasi (misalnya diagram sistem kabinet listrik isolasi GGF-O8G)

    Opsi I tanpa fungsi lokasi kesalahan isolasi


    Opsi II dengan fungsi lokasi kesalahan isolasi

    1. Dalam solusi distribusi daya ruang operasi, rangkaian perangkat alarm dan tampilan eksternal AID harus dipasang pada panel intelijen di dalam ruang operasi, atau di sebelah panel intelijen (pemasangan di dinding). Selama operasi, staf medis memantau kesehatan sistem tenaga yang terisolasi.

    2. Dalam skema dengan fungsi lokasi gangguan isolasi, jika jumlah saluran yang terletak lebih dari delapan, dua set pencari lokasi AIL150 dapat digunakan. Kombinasinya dapat berupa AIL150-8 dan AIL150-4 (hingga 12 saluran), atau AIL150 -8 dan AIL150-8 (hingga 16 saluran).

    3. Diagram pengkabelan khas






    4. Pengenalan TI Medis 7 Bagian

    Nama dan jenis produk Gambar produk Deskripsi
    Transformator isolasi medis seri AITR Trafo isolasi seri AITR khusus digunakan dalam sistem IT medis. Gulungan diperlakukan dengan isolasi ganda dan memiliki lapisan pelindung elektrostatik, yang mengurangi interferensi elektromagnetik antar belitan. Sensor suhu PT100 dipasang di wire bag untuk memantau suhu trafo. Seluruh bodi dilapisi dengan cat invasi vakum, yang meningkatkan kekuatan mekanik dan ketahanan terhadap korosi. Produk ini memiliki kinerja kenaikan suhu yang baik dan kebisingan yang sangat rendah.
    Instrumen pemantauan isolasi cerdas medis AIM-M200 Instrumen pemantauan isolasi cerdas medis AIM-M200 mengadopsi teknologi mikrokontroler canggih, yang memiliki integrasi tinggi, ukuran kompak, pemasangan mudah dan mengintegrasikan kecerdasan, digitalisasi, dan jaringan dalam satu. Ini adalah pilihan ideal untuk pemantauan isolasi sistem tenaga terisolasi di lokasi medis Kelas 2 seperti ruang operasi dan unit perawatan intensif.
    Trafo arus AKH-0.66P26 Trafo arus tipe AKH-O 66P26 merupakan trafo arus proteksi yang mendukung monitor insulasi AIM-M200, dimana arus terukur maksimumnya adalah 60A dan rasio transformasinya adalah 2000:1. Trafo arus dipasang langsung di dalam kabinet dengan cara disekrup, dan sisi sekundernya dipimpin keluar oleh terminal, yang nyaman untuk dipasang dan digunakan.
    Pencari kesalahan isolasi AIL150-4/AIL150-8 Pencari kesalahan isolasi AIL150-4/AIL150-8 adopts high sensitivity transformer combined with a high precision signal detecting circuit, which detects the signal imported into the system from the ASG150 test signal generator and accurately locates the circuits which have insulation faults. AIL150-4 insulation fault locator can locate the insulation faults of 4 circuits, and the AIL150-8 insulation fault locator can locate the insulation faults of 8 circuits.
    Generator sinyal uji ASG150 Generator sinyal uji ASG150 mengadopsi chip mikroprosesor 32-bit dan sirkuit pembangkit sinyal presisi tinggi untuk mewujudkan pembangkitan sinyal uji spesifik. Ketika sistem TI yang dipantau mengalami kesalahan isolasi, sistem tersebut dapat memulai dan menghasilkan sinyal uji tepat waktu, bekerja dengan lokasi kesalahan isolasi untuk menyadari lokasi kesalahan isolasi.
    Modul daya HDR-60-24 Catu daya arus searah HDR-60-24 dapat menyediakan catu daya 24V DC secara bersamaan untuk AIM-M200
    instrumen pemantauan isolasi cerdas medis, generator sinyal uji ASG150, pencari kesalahan isolasi seri AIL150, dan alarm terpusat serta instrumen tampilan AID150. Catu daya berkapasitas tinggi, keluaran tegangan stabil, dan pemasangan yang mudah digunakan, yang dapat memenuhi persyaratan catu daya meter yang disebutkan di atas dan merupakan produk catu daya yang direkomendasikan.
    AID1 50 alarm terpusat dan instrumen tampilan Instrumen alarm dan tampilan terpusat AID150 mengadopsi layar kristal cair LCD dan mencapai pertukaran data dengan instrumen pemantauan isolasi cerdas medis AIM-M200 melalui antarmuka komunikasi RS485, yang dapat memantau data multi-saluran secara real-time dari instrumen pemantauan isolasi cerdas medis AIM-M200.

    Foto di Tempat



Acrel Co., Ltd.