Dinilai Saat Ini 80A Secara Langsung
Bersertifikat MID
Kelas C Akurasi Tinggi
Rel DIN 35mm terpasang
Keluaran Pulsa
4 Modul Lebar 72mm
Untuk Manajemen Energi IoT, Pabrik, Sekolah
Pengukuran RMS Sejati
THD dengan Harmonisa ke-63
Faktor K dan Faktor Puncak
Ketidakseimbangan & Sudut Fase
Tuntutan dan Energi Multi Tarif
Log Maks/Min dengan Stempel Waktu
+86-18702106858 / +86-21-69156352
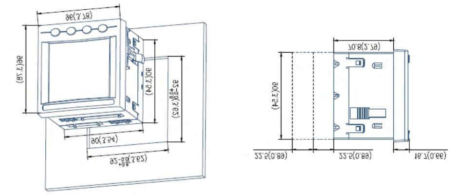
APM810 adalah meteran panel multifungsi AC tiga fase kelas 0,2S yang dirancang untuk pemantauan energi yang tepat, diagnostik kualitas daya, dan sub-penagihan penyewa di switchboard industri, komersial, dan pusat data. Penutup DIN 96×96 mm yang ringkas memiliki layar sentuh TFT berwarna yang menampilkan tegangan RMS sebenarnya hingga 690 V, arus, frekuensi, daya aktif/reaktif/semu, PF, permintaan, harmonik hingga ke-63, THD, dan kWh/kvarh empat kuadran. Dual RS485 Modbus-RTU, Ethernet TCP/IP, BACnet/IP, SNMP dan Wi-Fi/LoRa opsional menghadirkan integrasi BMS/EMS yang mulus, sementara memori internal 4 MB mencatat profil beban 12 bulan untuk audit energi. Alarm tegangan berlebih/bawah, arus, PF, dan harmonik yang dapat dikonfigurasi menggerakkan output relai atau input digital untuk kontrol pemutus pintar; register pulsa, BUMN, dan tarif TOU mendukung utilitas AMI, pengukuran jaringan surya, dan aplikasi pengisian daya EV. Lebar 3×57,7–690 V, 0,001–10 Sambungan langsung atau CT/VT ditambah segel anti rusak cocok untuk penerapan jaringan pintar atau jaringan mikro apa pun.
| Parameter Teknis | Nilai | |||
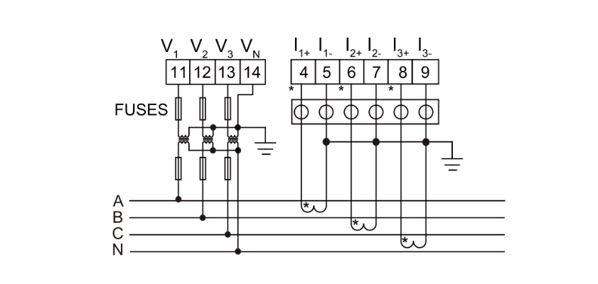
| Masukan | Koneksi | Kabel fase tunggal 2, kabel 3 fase 3, kabel 3 fase 4 | ||
| Frekuensi | 45-65Hz | |||
| Tegangan | Peringkat: | |||
| fase tunggal: AC 100V、400V | ||||
| Tiga fase: AC 3×57.7V/100V(100V)、3×220V/380V(400V)、3×380V/660V(660V)(hanya ukuran 96) | ||||
| Kelebihan beban: Peringkat 1,2 kali lipat (terus menerus) : Peringkat 2 kali lipat selama 1 detik | ||||
| Konsumsi daya:<0,5VA | ||||
| Saat ini | Peringkat: AC IA、5A | |||
| Kelebihan beban: Peringkat 1,2 kali lipat (terus menerus); Peringkat 10 kali lipat selama 1 detik | ||||
| Konsumsi daya:<0,5VA | ||||
| Keluaran | Energi listrik | Keluaran mode:open-collector photo-coupler pulse | ||
| Konstanta pulsa: 10000imp/kWh (dapat diatur), lihat diagram pengkabelan untuk detailnya; | ||||
| Komunikasi | RS485port, protokol Modbus -RTU, protokol DLT645 (versi 07 dan 97), | |||
| tingkat baud 1200 ~ 38400 | ||||
| Fungsi | Beralih masukan | Masukan kontak kering, catu daya internal; jika modelnya KA, maka AC 220V aktif. | ||
| Beralih keluaran | Keluaran mode: Relay normally open contact output | |||
| Kapasitas kontak: AC 250V/3A、 DC 30V/3A | ||||
| Keluaran analog | 4 - 20mA | |||
| Kelas akurasi | Frekuensi:0.05Hz,Current、Voltage:0.2 class,Reactive power:l .0class,Reactive Electric energy:l .0class, active power:0.5class,active electric energy: 0.5class,2-31th harmonic measurement:±1% | |||
| Catu daya | AC/DC 85-265V atau DC24V(±20%)atau DC48V(±20%) | |||
| konsumsi daya≤10VA | ||||
| Keamanan | Frekuensi daya menahan tegangan | Antara Catu Daya//Output Peralihan//Input Arus//Input Tegangan dan Transmisi// Komunikasi //Output Pulsa//input switching AC 2 kV 1 menit; | ||
| Antara catu daya, keluaran peralihan, masukan arus, masukan tegangan AC 2 kV 1 menit; | ||||
| Antara Transmisi、Komunikasi、Output Pulsa、switching input AC 1kV 1 menit; | ||||
| Resistensi isolasi | Masukan、Output end to machine enclosure >100MΩ | |||
| Lingkungan Hidup | Suhu | pekerjaan: -25°C~ 65°C penyimpanan: -40°C ~ 80°C | ||
| Kelembaban | ≤93%RH Tanpa kondensasi | |||
| Ketinggian | ≤2500 juta | |||
Solusi Pemantauan Daya
Didirikan pada tahun 2003, Acrel Co., Ltd.【Kode Saham: 300286.SZ】 adalah perusahaan teknologi tinggi yang mengkhususkan diri dalam solusi manajemen energi dan keselamatan listrik. Berkantor pusat di Shanghai, Acrel menawarkan solusi inovatif dan berkelanjutan untuk efisiensi energi dan keselamatan listrik pada jaringan mikro. Dengan lebih dari 600 paten dan hak cipta perangkat lunak, Acrel telah menerapkan lebih dari 28.000 solusi sistem secara global, membentuk arsitektur internet energi "cloud-edge-end" yang komprehensif.
Acrel Co., Ltd. adalah Grosir Cina Pengukur Energi Terpasang di Panel Tiga Fasa AC yang Dapat Diprogram Produsen Dan Pengukur Energi Terpasang di Panel Tiga Fasa AC yang Dapat Diprogram Pabrik. Ekosistem produk terintegrasi Acrel mencakup perangkat lunak platform cloud hingga komponen pengguna akhir, meliputi sektor-sektor seperti energi, energi terbarukan, pusat data, bangunan pintar, transportasi, dan kota pintar. Solusi-solusi ini memungkinkan manajemen energi cerdas dan real-time, meningkatkan keamanan energi dan mengurangi biaya operasional. Kami menawarkan Pengukur Energi Terpasang di Panel Tiga Fasa AC yang Dapat Diprogram untuk dijual.
Fasilitas produksi perusahaan, Jiangsu Acrel Electric Manufacturing Co., Ltd., mematuhi standar kualitas dan pedoman lingkungan yang ketat, dengan pusat pengujian canggih dan komitmen terhadap proses produksi bebas timbal. Tim Acrel yang terdiri dari lebih dari 500 insinyur menghadirkan sistem efisiensi energi mutakhir dan solusi energi cerdas.
Dengan kehadiran domestik yang kuat, Acrel secara aktif berekspansi secara internasional, didukung oleh jaringan global tim penjualan dan teknis serta platform e-commerce yang memastikan pengalaman layanan yang lancar di seluruh dunia. Acrel bangga dapat membantu bisnis meningkatkan efisiensi, mengurangi konsumsi, dan mencapai tujuan keberlanjutan.
Bersama-sama, kita membangun masa depan yang lebih cerdas dan lebih hijau.
Paten yang Diotorisasi
0+Jumlah Pelanggan yang Dilayani
0+Jumlah Karyawan
0+Basis Manufaktur
0m²Selamat datang untuk terhubung Dalam konteks pesatnya perkembangan industri energi baru, skenario seperti penyimpanan energi komersial dan industri , stasiun penukaran baterai , dan sistem penyimpanan fotovoltaik rumah tangga telah menempatkan tuntutan yang lebih ting...
Baca selengkapnyaLatar Belakang Industri dan Pentingnya Aplikasi Busbar berfungsi sebagai tulang punggung sistem distribusi listrik di industri mulai dari switchgear, penggerak industri, inverter energi terbarukan, sistem penyimpanan energi baterai (BESS), dan elektronika daya kendaraan listrik. Dengan pertumb...
Baca selengkapnyaLatar Belakang Industri dan Pentingnya Aplikasi Pesatnya adopsi kendaraan listrik (EV) mendorong kebutuhan infrastruktur baru di lingkungan perumahan multi-penyewa seperti kompleks apartemen, bangunan serba guna, dan perumahan multi-keluarga. Tidak seperti rumah keluarga tunggal, apartemen bia...
Baca selengkapnya