Selamat datang untuk terhubung
Dalam konteks pesatnya perkembangan industri energi baru, skenario seperti penyimpanan energi komersial dan industri , stasiun penukaran baterai , dan sistem penyimpanan fotovoltaik rumah tangga telah menempatkan tuntutan yang lebih tinggi pada akurasi, kompatibilitas, dan kecerdasan dari pengukuran listrik . Acrel Electric telah mengembangkan rangkaian lengkap solusi instrumentasi pendukung energi baru. Solusi-solusi ini dirancang khusus untuk kebutuhan inti berbagai skenario aplikasi, mencakup kebutuhan pengukuran mulai dari aplikasi rumah tangga berdaya rendah hingga sistem penyimpanan energi industri dan komersial skala besar. Solusi ini memberikan dukungan yang andal untuk pengoperasian yang stabil dan pengukuran sistem energi baru yang tepat.
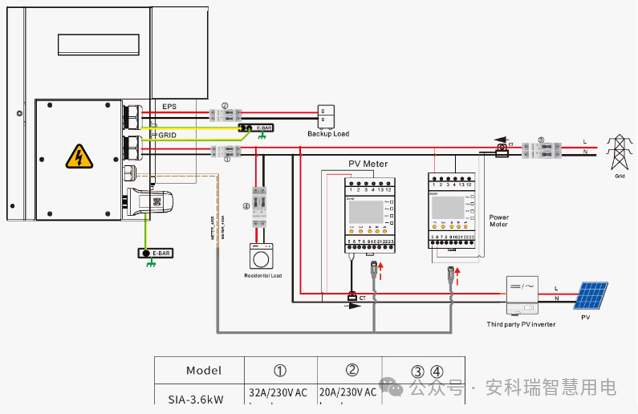
Fotovoltaik perumahan dan penyimpanan energi merupakan skenario penerapan penting untuk mempopulerkan energi baru. Acrel telah mengembangkan produk instrumen yang sangat kompatibel yang menargetkan berbagai sub-skenario, termasuk pencocokan inverter penyimpanan energi, integrasi inverter hibrida, sistem penyimpanan fotovoltaik balkon, dan sistem transmisi transparan point-to-point penyimpanan energi mikro . Produk-produk ini menyeimbangkan integrasi, kecepatan pengukuran, dan fleksibilitas komunikasi.
Menanggapi karakteristik pasar kompatibilitas multi-merek dalam sistem fotovoltaik dan penyimpanan energi, konfigurasi RS485 CT diadopsi untuk mengakomodasi kondisi pemasangan yang tidak pasti untuk agen profesional. Instrumen tersebut disertifikasi dengan sertifikasi internasional CE-MID, UL, dan RCM. Dengan kecepatan refresh data berkecepatan tinggi 50ms, perangkat ini juga mendukung penyesuaian urutan fase, memastikan pengukuran yang akurat dan kompatibilitas yang kuat.
Untuk persyaratan integrasi yang tinggi pada desain inverter penyimpanan energi all-in-one dan persyaratan pengukuran saluran ganda dalam skenario retrofit, instrumen dilengkapi dengan terminal quick-plug tegangan dan arus serta port komunikasi RJ45. Mereka juga mendukung kecepatan penyegaran data 50 ms dan penyesuaian urutan fase, serta sistem sertifikasi yang komprehensif, sehingga cocok untuk skenario retrofit dan instalasi baru.
Dirancang khusus untuk sistem fotovoltaik dan penyimpanan energi terdistribusi berdaya rendah di balkon, solusi ini menyeimbangkan integrasi tinggi dengan kemudahan pemasangan dan commissioning. Selain itu pengukuran saluran ganda dan terminal quick-plug , itu juga mendukung Fungsi WiFi, WiFi Rendah, dan Bluetooth debugging . Desain nirkabel secara signifikan menyederhanakan pemasangan dalam skenario skala kecil, dan produk ini memiliki sertifikasi CE-RED.
Untuk mengatasi penetrasi yang buruk dan kinerja jaringan yang tidak stabil dari traditional WiFi in micro-energy storage scenarios, WiFi HaLow (Sub-1GHz) teknologi komunikasi diadopsi. Dibandingkan dengan WiFi tradisional, ini memberikan kemampuan penetrasi yang lebih kuat dan jarak transmisi yang lebih jauh. Dibandingkan dengan komunikasi LoRa, ia menawarkan kecepatan transmisi lebih tinggi dan stabilitas lebih baik. Instrumen ini secara asli mendukung teknologi ini, hanya memerlukan AP tambahan di sisi inverter untuk mengaktifkan komunikasi nirkabel. Ini juga mendukung konfigurasi jaringan cepat satu-ke-satu dan satu-ke-banyak, sehingga cocok untuk sistem penyimpanan mikro multi-inverter dan balkon rumah tangga.
Penyimpanan energi industri dan komersial, penyimpanan energi skala besar, dan stasiun penukaran baterai memerlukan standar yang ketat dalam akurasi pengukuran, kecepatan penyegaran, fleksibilitas pemasangan, dan kepatuhan terhadap peraturan. Acrel menyediakan produk instrumen tertanam dan dipasang di rel DIN berdasarkan persyaratan utama seperti penagihan multi-tarif, pengukuran permintaan, perlindungan aliran daya anti-balik, dan komunikasi nirkabel , mendukung instalasi baru dan aplikasi retrofit.
APM521 telah memperoleh sertifikasi CSA (UL) di luar negeri dan memberikan akurasi pengukuran energi aktif hingga kelas 0,2s (Kelas D). Dilengkapi dengan penyimpanan kartu SD untuk parameter kelistrikan real-time. Desain modul ekspansi unit utama modular mendukung pemasangan tertanam dan rel DIN, memenuhi beragam persyaratan pemasangan dalam proyek-proyek baru.
Ini adalah meteran kelas 0,5S dengan CT eksternal, banyak digunakan dalam aplikasi pelanggan besar. Ini mendukung kabel retrofit CT sekunder dan dapat langsung menjepit arus sisi sekunder dari transformator arus yang ada, sehingga sangat cocok untuk proyek retrofit meteran. Produk ini memiliki sertifikasi CPA, CE, dan UL dan juga dapat disesuaikan menjadi versi penyegaran berkecepatan tinggi untuk memenuhi persyaratan aplikasi berkinerja tinggi.
Selain itu, solusi industri dan komersial juga mengintegrasikan fungsi perlindungan beban berlebih. Sistem ini dapat dihubungkan ke skenario penyimpanan energi sisi tegangan tinggi dan rendah dan dapat bekerja dengan meteran listrik multi-tarif untuk mencapai pengukuran listrik yang akurat berdasarkan struktur tarif yang berbeda, memberikan dukungan keselamatan dan manajemen energi yang komprehensif untuk sistem penyimpanan energi industri dan komersial serta stasiun penukaran baterai.
Dalam konteks peningkatan berkelanjutan dalam industri energi baru, Acrel akan terus fokus pada inovasi dan lebih meningkatkan teknologi instrumentasi dan sistem produk pendukung energi barunya. Perusahaan bertujuan untuk menyediakan layanan yang lebih efisien, cerdas, dan andal pengukuran listrik solutions untuk penyimpanan energi komersial dan industri, stasiun penukaran baterai, dan aplikasi penyimpanan fotovoltaik rumah tangga, membantu mendorong pengembangan industri energi baru yang berkualitas tinggi.
Hak cipta © Acrel Co., Ltd. Seluruh hak dilindungi undang-undang.
